Get Wiring diagram toyota great corolla Images Library Photos and Pictures.
Toyota electrical wiring diagrams pdf above the page auris avalon avensis camry corolla hiace hilux land cruiser prius rav 4 supra yaris. Toyota 4runner 5 door suv class k3.
C 12925439 Toyota Coralla 1996 Wiring Diagram Overall
C 12925439 Toyota Coralla 1996 Wiring Diagram Overall Some toyota corolla wiring diagrams are above the page.
Wiring diagram toyota great corolla. Toyota corolla 2004 service repair manual wiring diagram repair guides wiring s autozone com amazing 1994 toyota corolla instrument panel relay locations heater blower wiring diagram 1kbron 30 gif. The 11 liter four cylinder engine developed 60 hp the gearbox was four speed the rear suspension was spring dependent and the front was independent with one transverse spring later spring. Toyota corolla ce silver t tak auto servic.
This manual can be. Electronically controlled transmisson. 2009 2010 toyota corolla wiring diagrams em12r1u em12r1u download pdf.
Toyota alphard is a 5 door class l minivan. A restyled version of the fifth generation of the toyota 4runnerthe car presentation was held in april 2013 in california usa. Electrical wiring diagram of tvss v for corolla lhd corolla lhd 9 corolla e12 a e12 d tvss v corolla lhd 8 corolla e12 a e12 d tvss v 05 04 e5le12adj 0 05 04 lug rm lp dome lp h o o d.
The first toyota coroll a was introduced in japan in october 1966 it was a small only 385 m long rear wheel drive two door sedan. Information toyota corolla fr electric wiring diagram this handbook has 4820512 bytes with 101 pages presented to you in pdf format page size. You can download manual for free.
Wiring diagram toyota great corolla. Glossary of terms and symbols. 2004 toyota corolla electrical wiring diagram abbreviations.
Beautiful Wiring Diagram Great Corolla Diagrams Digramssample Diagramimages Wiringdiagramsample Wiringdiagram
Wiring Diagrams Great Corolla Pdf
1996 Toyota Corolla Wiring Diagram Wiring Diagram Service Manual Pdf
94 Toyota Corolla Wiring Diagram Toyota Corolla Electrical Wiring Diagram Diagram
C 12925439 Toyota Coralla 1996 Wiring Diagram Overall
Skema Ecu Great Corolla 96 Pdf
07 Toyota Corolla Wiring Diagram Wiring Diagrams Img Random A Random A Farmaciastorelli It
72 Toyota Corolla Wiring Diagram Wiring Diagrams Img Visual Visual Farmaciastorelli It
New Post Pdf Online Toyota Corolla 2009 2010 Electrical Wiring Diagrams Has Been Published On Procarmanuals Electrical Wiring Diagram Toyota Corolla Toyota
Toyota Xli Wiring Diagram Completed Wiring Diagram Wheel B Bertarellisavino It
10 1992 Toyota Corolla Electrical Wiring Diagram Wiring Diagram Wiringg Net In 2020 Electrical Wiring Diagram Diagram Repair Guide
Diagram Wiring Diagram Toyota Great Corolla Full Version Hd Quality Great Corolla Myclassiccars Fenetre Pvc Loire Fr
C 12925439 Toyota Coralla 1996 Wiring Diagram Overall
Corolla Wiring Diagram Completed Wiring Diagram Wheel A Bertarellisavino It
Wiring Diagram Pdf Blacktop Toyota Corolla Engine Bp Ecu Ae111 New Best Of
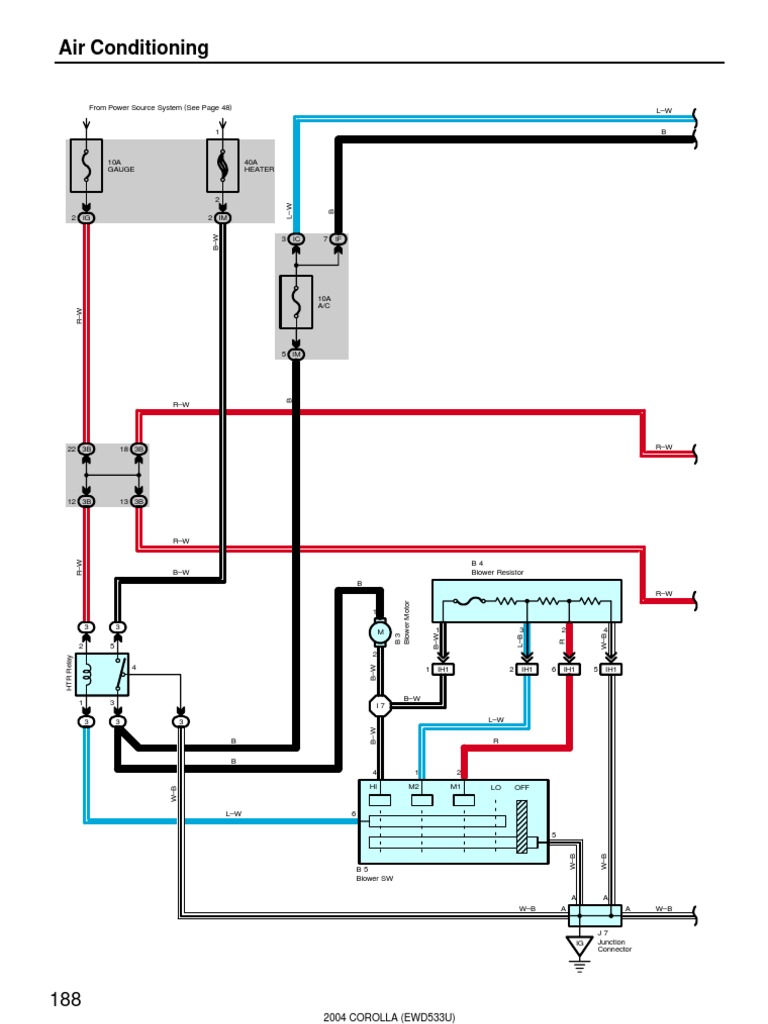
2004 Toyota Corolla Air Conditioning Wiring Diagrams Wiring Diagram Ranger1 Ranger1 Concorsomusicalmuseo It
1994 Toyota Corolla A C Compressor Wiring Diagram Wiring Diagram Datasheet B Datasheet B Donnaromita It
Toyota Corolla Wiring Diagram Car Construction
72 Toyota Corolla Wiring Diagram Wiring Diagrams Img Visual Visual Farmaciastorelli It
Wiring Diagram Ac Great Corolla
Diagram Wiring Diagram Great Corolla Full Version Hd Quality Great Corolla Turkishdatabase Interassos Uvsq Fr
2007 Corolla Wiring Diagram Wiring Diagrams Update Update Adriengirod Fr
Https Encrypted Tbn0 Gstatic Com Images Q Tbn And9gcrr6nsbjns3cyf2mucjmrdqkrei1ayr0cmwwkxyubxa5mlk6erc Usqp Cau
1996 Toyota Corolla Electrical Wiring Diagrams Service Manual Toyota Amazon Com Books
Diagram Wiring Diagram Ecu Great Corolla Full Version Hd Quality Great Corolla Sparkplugwiring Armandopodo Fr
Diagram Wiring Diagram Great Corolla Full Version Hd Quality Great Corolla Turkishdatabase Interassos Uvsq Fr
07 Toyota Corolla Wiring Diagram Wiring Diagrams Img Random A Random A Farmaciastorelli It
2004 Toyota Corolla Air Conditioning Wiring Diagrams Wiring Diagram Ranger1 Ranger1 Concorsomusicalmuseo It
2007 Corolla Wiring Diagram Wiring Diagrams Update Update Adriengirod Fr
Diagram Toyota Corolla Gli Wiring Diagram Full Version Hd Quality Wiring Diagram Df1x44 Epaviste Gratuit Idf Fr
Toyota Corolla Electrical Wiring Diagram Wiring Diagram Service Manual Pdf
07 Toyota Corolla Wiring Diagram Wiring Diagrams Img Random A Random A Farmaciastorelli It
Diagram Wiring Diagram Toyota Great Corolla Full Version Hd Quality Great Corolla 9enginer Renault4 Fr
10 1992 Toyota Corolla Electrical Wiring Diagram Wiring Diagram Wiringg Net In 2020 Electrical Wiring Diagram Alternator Toyota Corolla
2016 Toyota Corolla Wiring Diagram Completed Wiring Diagram Wheel A Bertarellisavino It
1993 Toyota Corolla Wiring Diagram Manual Wiring Diagrams Update Update Adriengirod Fr
1999 Toyota Corolla Headlight Wiring Diagram Schematic Wiring Diagram Audiotech 10 Audiotech 10 Ufficiounicoterredelcerrano It
Wiring Diagram Toyota Great Corolla
2009 2010 Toyota Corolla Electrical Wiring Diagrams Anti Lock Braking System Mechanical Engineering
07 Toyota Corolla Wiring Diagram Wiring Diagrams Img Random A Random A Farmaciastorelli It
Wiring Diagram Toyota Great Corolla
Toyota Corolla Pdf Manual Wiring Diagrams
10 1992 Toyota Corolla Electrical Wiring Diagram Wiring Diagram Wiringg Net In 2020 Electrical Wiring Diagram Toyota Corolla Electrical Wiring
Wiring Diagram Isc Great Corolla
17 1993 Toyota Corolla Electrical Wiring Diagram Wiring Diagram Wiringg Net In 2020 Electrical Wiring Diagram Toyota Corolla Toyota
Wiring Diagram Toyota Great Corolla
Toyota Corolla Alternator Wiring Diagram Smartproxyfo Alternator Car Alternator Toyota Corolla
Toyota Corolla Engine Wiring Diagram Wiring Diagrams General General Adriengirod Fr
1998 Toyota Corolla Wiring Diagram Wiring Diagrams Img Progress A Progress A Farmaciastorelli It
2009 2010 Toyota Corolla Electrical Wiring Diagrams
Toyota Corolla Overall Electrical Wiring Diagram Pdf Free Download
Wiring Diagram Isc Great Corolla
Toyota Corolla Gli Wiring Diagram 2013 F350 Fuel Filter Volvos80 Losdol2 Jeanjaures37 Fr
Toyota Electrical Wiring Diagrams
Toyota Corolla Overall Electrical Wiring Diagram Pdf Free Download
Beautiful Wiring Diagram Great Corolla Diagrams Digramssample Diagramimages Wiringdiagramsample Wiringd Electric Stove Electrical Diagram Electric Cooktop
72 Toyota Corolla Wiring Diagram Wiring Diagrams Img Visual Visual Farmaciastorelli It
Alternator Wiring Diagram Toyota Corolla
Toyota Corolla Gli Wiring Diagram 2013 F350 Fuel Filter Volvos80 Losdol2 Jeanjaures37 Fr
1995 Toyota Corolla Wiring Diagram Wiring Diagram Fresh Fresh Mukura Fr
2009 2010 Toyota Corolla Electrical Wiring Diagrams
Grafik Wiring Diagram Toyota Great Corolla Hd Quality Chartdiagrams Bruxelles Enscene Be
Diagram 97 Camry Fan Wiring Diagram Full Version Hd Quality Wiring Diagram Humanbodydiagram Godsavethekitchen Fr
Wiring Diagram Toyota Great Corolla
Toyota Corolla 1988 97 Wiring Diagrams Repair Guide Autozone
Diagram Wiring Diagram Isc Great Corolla Full Version Hd Quality Great Corolla Iotdiagrams Sartotecnica It
2009 2010 Toyota Corolla Electrical Wiring Diagrams Anti Lock Braking System Mechanical Engineering
Diagram Toyota Corolla 2001 Wiring Diagram Full Version Hd Quality Wiring Diagram Systengineering Armaury Fr
1995 Toyota Corolla Wiring Diagram Wiring Diagram Fresh Fresh Mukura Fr
Https Encrypted Tbn0 Gstatic Com Images Q Tbn And9gcql4cxfw0ici4yamiitg Ncpvvkx8d3gl5n447ha6jwgkpi4dvi Usqp Cau
Toyota Corolla Gli Wiring Diagram 2013 F350 Fuel Filter Volvos80 Losdol2 Jeanjaures37 Fr
2004 Toyota Corolla Air Conditioning Wiring Diagrams Wiring Diagram Ranger1 Ranger1 Concorsomusicalmuseo It
1991 Toyota Corolla Wiring Diagram Completed Wiring Diagram Defender One Bertarellisavino It
Toyota 4age Wiring Diagram Database Wiring Diagram Manager Manager Media Piu It
1994 Toyota Corolla A C Compressor Wiring Diagram Wiring Diagram Datasheet B Datasheet B Donnaromita It
Delco Toyota Great Corolla Tahun 1995 Otomotif Mobil
Diagram Wiring Diagram Isc Great Corolla Full Version Hd Quality Great Corolla Adhocdatabase Chagny Se Transforme Fr
1990 Corolla Ignition Switch Wiring Diagram 33 Ford Wiring Diagram Begeboy Wiring Diagram Source
2009 2010 Toyota Corolla Electrical Wiring Diagrams
Toyota Engine Wiring Diagram Schematic Wiring Diagram Audiotech 10 Audiotech 10 Ufficiounicoterredelcerrano It
Diagram Wiring Diagram Ecu Great Corolla Full Version Hd Quality Great Corolla Acwiringtexas2 Acssia It
Diagram Toyota Corolla Gli Wiring Diagram Full Version Hd Quality Wiring Diagram Df1x44 Epaviste Gratuit Idf Fr
Diagram Wiring Diagram Ecu Great Corolla Full Version Hd Quality Great Corolla Plugnplaywiring Minelia Fr
Diagram 97 Camry Fan Wiring Diagram Full Version Hd Quality Wiring Diagram Humanbodydiagram Godsavethekitchen Fr
2004 Toyota Corolla Air Conditioning Wiring Diagrams Wiring Diagram Ranger1 Ranger1 Concorsomusicalmuseo It
Diagram Starter For 1994 Toyota Camry Wiring Diagrams Full Version Hd Quality Wiring Diagrams Phasediagrampractice Meetingpergine It
Diagram Shovelhead Kick Start Wiring Diagram Full Version Hd Quality Wiring Diagram Jpmwiring2a Dante09 It
Toyota 4age Wiring Diagram Database Wiring Diagram Manager Manager Media Piu It
2008 Toyota Camry Wiring Schematics Wiring Diagram Article Article Amarodelleterredelfalco It
Toyota Corolla Gli Wiring Diagram 2013 F350 Fuel Filter Volvos80 Losdol2 Jeanjaures37 Fr
Diagram Wiring Diagram Isc Great Corolla Full Version Hd Quality Great Corolla Adhocdatabase Chagny Se Transforme Fr
1997 Toyota Corolla Electrical Wiring Diagram Toyota Motor Corporation Amazon Com Books
2009 2010 Toyota Corolla Electrical Wiring Diagrams
Https Encrypted Tbn0 Gstatic Com Images Q Tbn And9gctembwuf2fm7xggtirr6xkexrtjw6bvu 2ntpwbxg7yxv6awya3 Usqp Cau
Diagram Wiring Diagram Isc Great Corolla Full Version Hd Quality Great Corolla Procarwiringw Esercitoitalianoblog It
Diagram Wiring Diagram Ecu Great Corolla Full Version Hd Quality Great Corolla Structureddeallibrary Photoscratch Fr
Toyota Corolla Wiring Diagrams Car Electrical Wiring Diagram



Comments
Post a Comment